Terbaru 21+ Forward Reverse Star Delta
Poin pembahasan Terbaru 21+ Forward Reverse Star Delta adalah :

TESLA INSTITUTE School of Electrical Engineering Sumber : www.tesla-institute.com

Rangkaian Kontrol Forward Reverse Star Delta Motor Listrik Sumber : akhdanazizan.com

SIMULATION CADe SIMU CIRCUIT 16 STAR DELTA CIRCUIT Sumber : www.youtube.com

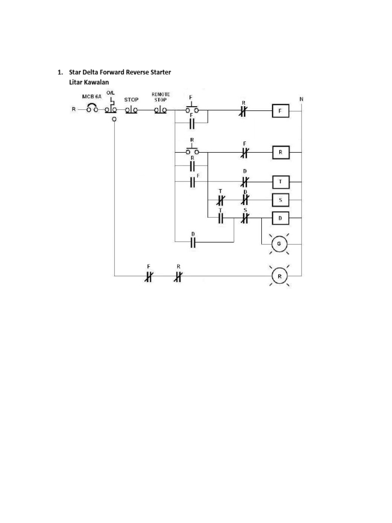
Star Delta Forward Reverse Control Circuit Pdf Sumber : markhannadesign.com

Star delta reverse and forward motor control circuit in Sumber : www.youtube.com

Education from Yesterday for Tomorrow Rangkaian Control Sumber : freetoeducation.blogspot.com

Forward Reverse 3 Phase AC Motor Control Wiring Diagram Sumber : mrpanjablog.wordpress.com

Litar Projek Kawalan Motor Forward Reverse Star Delta Sumber : www.scribd.com

Three Phase Motor Connection Star Delta Y Reverse Sumber : www.electricaltechnology.org

Star Delta motor starter with forward and reverse control Sumber : www.pinterest.com

Three Phase Motor Connection Star Delta Y Reverse Sumber : www.electricaltechnology.org

Rangkaian Kontrol Panel ATS Genset Sederhana Sumber : akhdanazizan.com

Star delta forward reverse control circuit pdf Sumber : deconv.com

Electrical Schematic Diagram for the Control Circuit of a Sumber : www.pinterest.com
Rangkaian Forward Reverse star delta, Rangkaian star delta, Rangkaian star delta 2 Arah putaran, Rangkaian kontrol star delta, Rangkaian star delta bolak balik, Rangkaian utama forward reverse, Rangkaian Forward Reverse dengan Limit Switch, Cara merangkai Forward Reverse,

Power Circuit of a Star Delta or Wye Delta Forward Reverse Sumber : ijyam.blogspot.com
Rangkaian Forward Reverse star delta, Rangkaian star delta, Rangkaian star delta 2 Arah putaran, Rangkaian kontrol star delta, Rangkaian star delta bolak balik, Rangkaian utama forward reverse, Rangkaian Forward Reverse dengan Limit Switch, Cara merangkai Forward Reverse,
TESLA INSTITUTE School of Electrical Engineering Sumber : www.tesla-institute.com
Star delta motor starter explained in details EEP
4 25 2021 Rangkaian kontrol forward reverse star delta Sesuai dengan janji saya kemaren pada postingan sebelumnya yaitu tentang Rangkaian utama Forward Reverse Star Delta Maka hari saya akan membahas bagaimana rangkaian kontrolnya untuk menjalankan motor listrik 3 fasa sesuai dengan judul posting sebelumnya

Rangkaian Kontrol Forward Reverse Star Delta Motor Listrik Sumber : akhdanazizan.com
Star Delta Forward Reverse Wiring Diagram Pdf
4 17 2021 Rangkaian Utama Forward Reverse Star Delta Kalau posting yang lalu telah dibahas Pengasutan Bintang star Segitiga delta dan Rangkaian Utama Pembalik Putaran Motor Listrik 3 Fasa untuk kali ini saya akan menggabungkan 2 judul posting tadi menjadi seperti judul diatas yaitu rangkaian utama forward reverse star delta Setelah posting ini selesai baru akan membahas

SIMULATION CADe SIMU CIRCUIT 16 STAR DELTA CIRCUIT Sumber : www.youtube.com
Three Phase Motor Connection Star Delta Y Reverse
6 3 2021 Three Phase Motor Connection Star Delta Y Reverse and Forward with Timer Power Control Diagram As we have already shared the Starting method of Three Phase Motor by Star Delta Starter with Timer Circuit Power and Control Circuits Now in the below diagrams Three phase Motor will rotate in two directions viz Forward and Reverse

Star Delta Forward Reverse Control Circuit Pdf Sumber : markhannadesign.com

Star delta reverse and forward motor control circuit in Sumber : www.youtube.com

Education from Yesterday for Tomorrow Rangkaian Control Sumber : freetoeducation.blogspot.com

Forward Reverse 3 Phase AC Motor Control Wiring Diagram Sumber : mrpanjablog.wordpress.com
Litar Projek Kawalan Motor Forward Reverse Star Delta Sumber : www.scribd.com
Three Phase Motor Connection Star Delta Y Reverse Sumber : www.electricaltechnology.org

Star Delta motor starter with forward and reverse control Sumber : www.pinterest.com
Three Phase Motor Connection Star Delta Y Reverse Sumber : www.electricaltechnology.org

Rangkaian Kontrol Panel ATS Genset Sederhana Sumber : akhdanazizan.com

Star delta forward reverse control circuit pdf Sumber : deconv.com

Electrical Schematic Diagram for the Control Circuit of a Sumber : www.pinterest.com
Rangkaian Forward Reverse star delta, Rangkaian star delta, Rangkaian star delta 2 Arah putaran, Rangkaian kontrol star delta, Rangkaian star delta bolak balik, Rangkaian utama forward reverse, Rangkaian Forward Reverse dengan Limit Switch, Cara merangkai Forward Reverse,

Power Circuit of a Star Delta or Wye Delta Forward Reverse Sumber : ijyam.blogspot.com
0 Comments